同轴光路设计,耦合效率>80%,无尾纤设计,FC/SMA905标准接口,插拔一致性好,拉曼光谱,实验教学
◆ 适配拉曼光谱范围:150cm-1 ~ 4000cm-1
◆ 有效滤除瑞利信号,截止深度>OD8;
◆ 起始波束一致性:Start<150cm-1。
产品参数1 |
|
| 项目 | 值 |
| 产品规格 | RPB-830-1.5-FF |
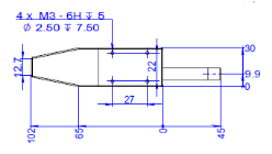
| 尺寸 | 主体:102×30×13 mm/探棒:45不锈钢材质 |
| 出射光纤 | N.A. |
| 接收光纤 | N.A. |
| 合束部分的铠甲规格 | N.A. |
| 光纤(合束段) | N.A. |
| 光纤(分束段) | N.A. |
| 触发装置 | N.A. |
| 光路控制 | N.A. |
| 连接麻豆国产在线精品国偷产拍端子 | FC/PC(可定制) |
| 连接国产麻豆成人传媒免费观看端子 | FC/PC(可定制) |
| 适用麻豆国产在线精品国偷产拍波长 | 830nm |
| 拉曼光谱工作范围 | 150cm-1-4000cm-1 |
| 探头工作距离 | 7.5 mm(标准) |
| 探头总体出射耦合效率 | >80% |
| 工作温度 | 0-80℃ |
| 工作湿度 | 5%-80% |

