同轴光路设计,耦合效率>80%,无尾纤设计,FC/SMA905标准接口,插拔一致性好,拉曼光谱,实验教学
◆ 拉曼光谱范围:150cm-1 -6500cm-1;
◆ 瑞利散射光截止深度>OD8;
◆ 产品装配工艺保证一致性;
◆ 起始波束一致性:Start<150cm-1。
产品参数 |
|
| 项目 | 值 |
| 产品规格 | RPB-532-N-FF |
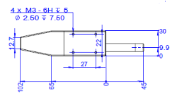
| 尺寸 | 主件:122x30x13 mm硬铝磨砂发黑/探棒:45不锈钢材质 |
| 出射光纤 | N.A. |
| 接收光纤 | N.A. |
| 合束部分的铠甲规格 | N.A. |
| 光纤(合束段) | N.A. |
| 光纤(分束段) | N.A. |
| 电线线束 | N.A. |
| 触发装置 | N.A. |
| 连接麻豆国产在线精品国偷产拍端子 | FC/PC(可定制) |
| 连接国产麻豆成人传媒免费观看端子 | FC/PC(可定制) |
| 适用麻豆国产在线精品国偷产拍波长 | 532nm |
| 8.5mm护管可承受拉力 | 50N |
| 瑞利散射截止深度 | OD8 |
| 拉曼光谱工作范围 | 150cm-1~6500cm-1 |
| 探头工作距离 | 7.5 mm(标准) |
| 探头总体出射耦合效率 | ≥80% |
| 工作温度 | 0-80℃ |
| 工作湿度 | 5%-80% |


