同轴光路设计,耦合效率>80%,尾纤耐受50N拉力,FC/SMA905标准接口,插拔一致性好,荧光光谱,科研教学
◆ 荧光光谱范围:415nm-1000nm;
◆ 高OD截至深度:OD5;
◆ 相对于传统90度荧光测量方式,检测灵敏度提高100倍.
产品参数 |
|
| 项目 | 值 |
| 产品规格 | FPB-405 |
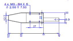
| 尺寸 | 主体:102x30x13mm(硬铝磨砂发黑)/ 不锈钢探棒:45 mm |
| 出射光纤 | 105μm芯径,VIS-NIR波段 |
| 接收光纤 | 200μm芯径,VIS-NIR 波段 |
| 合束部分的铠甲规格 | Φ8.5mm金属护套管,外层黑色PVC |
| 光纤(合束段) | 115cm±2cm |
| 光纤(分束段) | 30cm±2cm |
| 连接麻豆国产在线精品国偷产拍端子 | SMA905(可定制) |
| 连接国产麻豆成人传媒免费观看端子 | SMA905(可定制) |
| 适用麻豆国产在线精品国偷产拍波长 | 405nm |
| 8.5mm护管可承受拉力 | 50N |
| 滤光片激光截止深度 | OD5 |
| 光谱工作范围 | 415nm-1000nm |
| 探头工作距离 | 7.5 mm(标准) |
| 探头总体出射耦合效率 | ≥80% |
| 工作温度 | 0-80℃ |
| 工作湿度 | 5%-80% |


