同轴光路设计,耦合效率>80%,无尾纤设计,FC/SMA905标准接口,插拔一致性好,上转换荧光光谱,实验教学
◆ 荧光光谱范围:380nm~850nm;
◆ 有效滤除瑞利散射信号,对激发光的截止深度:OD5;
◆ 相对于传统荧光测量结构,荧光检测灵敏度提高100倍。
产品参数 |
|
| 项目 | 值 |
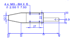
| 产品规格 | 主件:102×39×13; 不锈钢探棒:45 |
| 出射光纤规格 | N/A |
| 接收光纤规格 | N/A |
| 合束段铠甲规格 | N/A |
| 电线线束 | N/A |
| 尾纤合束段 | N/A |
| 尾纤分束段 | N/A |
| 麻豆国产在线精品国偷产拍连接端 | SMA905(可定制) |
| 国产麻豆成人传媒免费观看连接端 | SMA905(可定制) |
| 适用麻豆国产在线精品国偷产拍波长 | 980nm |
| 合束段耐受拉力 | N/A |
| 滤光片激光截止深度 | OD5 |
| 光谱工作范围 | 380nm~850nm |
| 探头出射耦合效率 | ≥80% |
| 工作温度 | 0-80C |
| 工作湿度 | 5%-80% |


