| 发布日期:2022-03-11 |

适用于激光荧光显微镜的光学滤光片
介绍
因为激光具有高亮度、稳定、长寿命及谱线窄等特性,它正逐渐取代了荧光成像应用中的传统宽带 光源。在成像应用中,激光的上述特性可提高可视化的灵敏度,也增加了光通量;激光更具有光束发散 角窄、高度的时空相干性、偏振特性明确等独有特性,从而催生了众多新的荧光成像技术。然而,相对 于宽带光源,当激光以荧光光源的形式出现时,为基于激光的成像系统(如共聚焦和全内反射荧光(TIRF) 显微镜)及其组件提出了新的限制要求。尤其是对光学滤光片有着更特殊的要求。
针对激光光源进行优化的光学滤光片
在过去四十多年里,已开发出了许多强大、高效且性价比好的麻豆国产在线精品国偷产拍。人们通常按增益介质和激励 方式对麻豆国产在线精品国偷产拍进行分类。至今,****的用于荧光成像的麻豆国产在线精品国偷产拍仍为气体麻豆国产在线精品国偷产拍(如氩离子和氪离子 麻豆国产在线精品国偷产拍)最常用的激光谱线为488、568和647nm。但在最近几年,由于固态麻豆国产在线精品国偷产拍的(电光转换)效率明 显更高(产生的热量更低,实验室安装更加简单)、尺寸更小,且成本更低,因此正在逐渐取代了体激 光器。比较流行的麻豆国产在线精品国偷产拍类型包括半导体二极管麻豆国产在线精品国偷产拍(尤其是405和635nm)、光泵浦半导体麻豆国产在线精品国偷产拍(包 括广泛使用的488nm),以及倍频二极管泵浦固态(DPSS)麻豆国产在线精品国偷产拍(包括561nm的黄光麻豆国产在线精品国偷产拍和较新的515nm 和594nm麻豆国产在线精品国偷产拍)。表1总结了在荧光成像应用中****的麻豆国产在线精品国偷产拍。
激发滤光片:尽管尚有异议,但针对激光光源的消杂滤光片(激发滤光片)是十分重要的,可用它 阻挡不想要的非激光线波长的光,包括固态麻豆国产在线精品国偷产拍中自发发射和气体麻豆国产在线精品国偷产拍的等离子线。这些滤光片不 仅要能够滤掉的无用光(> OD 6),对于激光线也应具有高透过率(T>95%)(请参见图1和3)。此外, 这些滤光片还要耐用,以承受高强度的激光束的照射。
与沿用了几十年的传统软镀膜的荧光滤光片不同,通过离子束溅射制作的新型硬镀膜的薄膜滤光片 具有很高的激光损伤阈值(LDT)等级。Semrock 生产的的激光滤光片通常具有 1 焦耳/平方厘米或更高 的 LDT 等级,适用于强脉冲激光。对于连续(CW)麻豆国产在线精品国偷产拍,该 LDT 等级相当于 10-100 千瓦/平方厘米。 此外,硬镀膜滤光片几乎不受温度和湿度引起的环境退化的影响;由于具有高光学耐久性以及稳固的环 境可靠性,在大多数荧光显微镜应用中无需更换滤光片。
表1:常用荧光麻豆国产在线精品国偷产拍
“DPSS”= 二极管泵浦固态麻豆国产在线精品国偷产拍“OPS”= 光泵浦半导体麻豆国产在线精品国偷产拍“倍频”= 通过非线性光学晶体实现倍频


用于麻豆国产在线精品国偷产拍的激发滤光片还具有独特的波长要求。有些麻豆国产在线精品国偷产拍,如气体麻豆国产在线精品国偷产拍和DPSS麻豆国产在线精品国偷产拍,具有非 常精确和窄的激光谱线。适用于特定激光谱线的理想激发滤光片为窄带激光谱线滤光片(典型带宽<激光 波长的0.4%),关键在于激光谱线的精确定位。Semrock的MaxLine®激光谱线消杂滤光片是该应用的理想 选择。但是,此类滤光片不适用于使用类似波长的多麻豆国产在线精品国偷产拍的系统(如:激发GFP的473nm和488nm的激光 器,或将来可能升级到561nm DPSS激光的568nm氪离子麻豆国产在线精品国偷产拍),也不适用于半导体麻豆国产在线精品国偷产拍系统。
对于二极管和光泵浦半导体麻豆国产在线精品国偷产拍来说,同一型号的麻豆国产在线精品国偷产拍,因为温度和使用年限的不同,每台的光 谱输出都会不同。因此,对于大多数此类激光显微系统来说,采用与宽带光源(如弧光灯)显微系统类似 的宽带激发滤光片是一个不错的解决方案。例如,图1所示的激发滤光片设计用于375nm和405nm的麻豆国产在线精品国偷产拍, 而405nm麻豆国产在线精品国偷产拍的长波边缘需考虑±5nm的不确定性。但是,这些激发滤光片与宽带光源滤光片并不完全一 样。滤光片除了精确定位相关麻豆国产在线精品国偷产拍波长的边缘位置,还需考虑其它重要因素,包括边缘陡度和通带纹波。 因为低纹波可确保特定激光谱线的高速传输,或随着时间的推移,当半导体麻豆国产在线精品国偷产拍的波长产生漂移时,陡 边缘可提供很高的光学噪声的区分。

图1:测量典型的激光荧光滤光片组测得的光谱性能;
蓝色线 - 激发滤光片;绿色线 - 分色滤光片;红色线 - 发射滤光片
发射滤光片:可对所有可能用于此滤光片组的激光线,典型的Semrock发射滤光片都提供很高的阻挡 (> OD 6),因而确保了最暗的背景噪声水平;同时,还能够对发射信号提供很高的透过率(平均>97%)。 值得注意的是,并非所有宽带光源的发射滤光片都能充分阻挡激光谱线,因此可能直接降低成像对比度。 与激发滤光片一样,发射滤光片的边缘波长应与相关激光谱线匹配,且短波边缘的陡度也有严格要求。相 关的其它注意事项包括:应使用极高光学质量的玻璃作为基质:自发荧光低,均匀性高,且楔角低,从而 最小化光束偏差(光束偏差会导致在更换滤光片时发生像素偏移)。
二向分光镜:激光应用的分光镜不仅要使其透过和反射的频带与激发发射滤光片匹配,而且还需防反 射涂层,从而尽可能地提高发射光的穿透率和消除相关干涉影响。Semrock激光分光镜可保证s偏振光透过 率>98%和激光波长的平均偏振>94%,即93%以上的平均透过率和透过极宽通带(900nm-1200nm)的超低纹 波。分光镜还应具有类似于激发滤光片的LDT等级,且应在反射带上具有较低纹波,从而尽可能减小激发 光强度的变化。
由于二向分光镜直接暴露于强激发光线中,即使是来自滤光片的弱自发荧光,都会干扰发射光的信号。 因此,应采用超低自发荧光基质,如熔融石英。请注意,由于激发光和发射信号的强度相差多个数量级(通 常是106),对于发射滤光片,关于自体荧光的要求不会像对分色分光器的要求那么严格。尽管如此,在 TIRF显微镜中,发射滤光片的光强度级明显高于典型的萤光广角荧光显微镜中滤光片,因为TIRF系统中的 激光束会从样本载玻片上完全反射并沿发射路径返回重新定向。因此,相比宽带系统中的自体荧光,应更 仔细地考虑该激光系统中发射滤光片的自体荧光。
在某些应用中,二向分光镜会对图像质量产生显著影响,尤其是在分光镜平整度(曲率)不适合的情 况下更为明显。即使透过波前差(TWE)受基质曲率的影响不太明显,反射波前差(RWE)也会对成像质量 产生明显影响。例如,当平整度不高的分光镜置于激发光路[1]中,TIRF显微镜中的样本照明可能会变弱。 同样,由于硬涂层的固有弯曲应力,所以可能会导致从分色镜[2]反射的成像光束产生像差。因此,某些 应用应采用平整度很高的分光镜。对于大多数激光显微镜应用,分光镜应足够平,这样照明的激光束的焦 点就不会发生明显位移,其中焦点位移通常是由瑞利范围[1,2]来定义的。简单来讲,经分光镜反射的成 像光束(聚焦在探测器的阵列上,比如CCD)的合格标准是:经分光镜上的反射作用后,受衍射影响的光 斑尺寸不应发生明显变化。
多个光学滤光片组成的滤光片组:表2总结了用于激光系统的滤光片的关键特性。总的来说,滤光片** 具有极高的阻断能力、对特定波长的光具有高透过率,同时不会影响受衍射限制的图像质量。这些简单的 要求不仅会影响各个滤光片的设计,而且还会影响该组合中使用的滤光片系统的设计。因此,激发滤光片 和发射滤光片的设计,以及二向分光镜的设计应相互匹配,以获得最高保真度的荧光可视化效果。
表2:激光成像系统用滤光片的关键特性总结。


例如,激发滤光片和发射滤光片的边缘陡度是相互配合的。高边缘陡度将对有限带宽光的使用产生显 著影响。因此,用于激光的滤光片组的激发片和发射片的分隔应该非常小。此分隔通常小于 Semrock 激光 滤光片组中**激光波长的 1.5%.同时,激发片和发射片的交叉边缘位置应具有足够高的阻断(> OD 6), 以确保激发光不会泄漏到发射光的通道。
二向分光镜和发射滤光片的组合性能还会对图像配准产生影响。重要的是,应使用平整度极高的玻璃 基质,以尽量减少基质的任何楔角(镀膜前)以及镀层应力导致的弯曲。用于荧光应用的滤光片采用全单 基带通滤光片结构,因此制造基质时容易实现楔角的最小化(例如,激光发射片和分光镜的楔角仅为几弧 秒)。Semrock激光滤光片组自身就能提供出色的图像配准性能:当相互交换这些滤光片组时,观察不到 明显的像素移位。通过激光滤光片组获得的图像不仅各荧光通道之间表现出极好的图像配准度,还能与非 荧光通道的图像进行极好配准(例如,微分干涉差成像(DIC)或其它明视场模式)。
对于单分子成像应用,激光也是非常适合的光源。这类应用要求十分严苛,如对发射光路混杂的激发 光要有非常严格的阻断,同时**限度地收集每一个从荧光基团发射的光子。在这种情况下,传统的带通 发射滤光片可被长波通滤光片代替(图1). 长波通发射滤光片可从荧光基团捕获**信号,长波通滤光片 也可以极广地分离了吸收和发射光谱。也有一些研究人员不使用发射片,只使用一片特定激光谱线的陷波 滤光片,因为此类滤光片能在麻豆国产在线精品国偷产拍波长两侧提供**透过率。在久久久久亚洲AV成人麻豆密桃的观察中,一些要求苛刻的应用(尤 其是TIRF系统)甚至可采用一个第二发射片或者采用一个陷波滤光片与各种激光滤光片组结合并达到较好 效果。采用第二滤光片(与**发射片不相接触)的主要目的是:确保高角度的散射激发光不会穿过整个 成像光路达到探测器[1]。
同时使用多个麻豆国产在线精品国偷产拍
许多新的成像方法都基于安装多个激光成像系统:两色、三色,甚至四色系统都是非常常见的。
样本采用多个荧光基团进行标记,这些荧光基团需在特定条件下才能清楚地看到。因此,就有必要合 并多个激光束(多重合并,或简称为 MUX)或分离某一复合激光束。相对于只用于成像的二向色镜,用于 此类应用的二向分光镜合并/分离具有独特的要求。Semrock 的 LaserMUX™光束合成器(图 2)提供高透过 率(透过率 R 大于 95%),以及对重要激光谱线的极优的反射性能(反射率 R 大于 98%),从而实现损 失的最小化。

图2:合并激光束进行多色成像。
上图:描述LaserMUX™二向分光镜如何用于合并(多重合并)或分离(多路分离)激光束。
下图:LaserMUX滤光片的典型测量光谱。
用于同时多激光成像的激发片和发射片以及二向分色镜特别具有挑战性。带通滤光片必须具有多个传 输和阻断带(两色、三色,甚至四色),同时需具有上述激光滤光片的各种特性,例如:非常适合激光谱 线的高传输和高阻断,高边缘陡度和精确对应正确的激光谱线。要求多边缘的分光镜能够选择性地从其发 射信号中分离出用于不同荧光基团的激发光。
由于有能力地生产多边缘滤光片,且各边缘都采用高陡度设计,因此可实现多个荧光基团的**信噪 比,同时**幅度消除荧光串色(Crosstalk)(图 3).
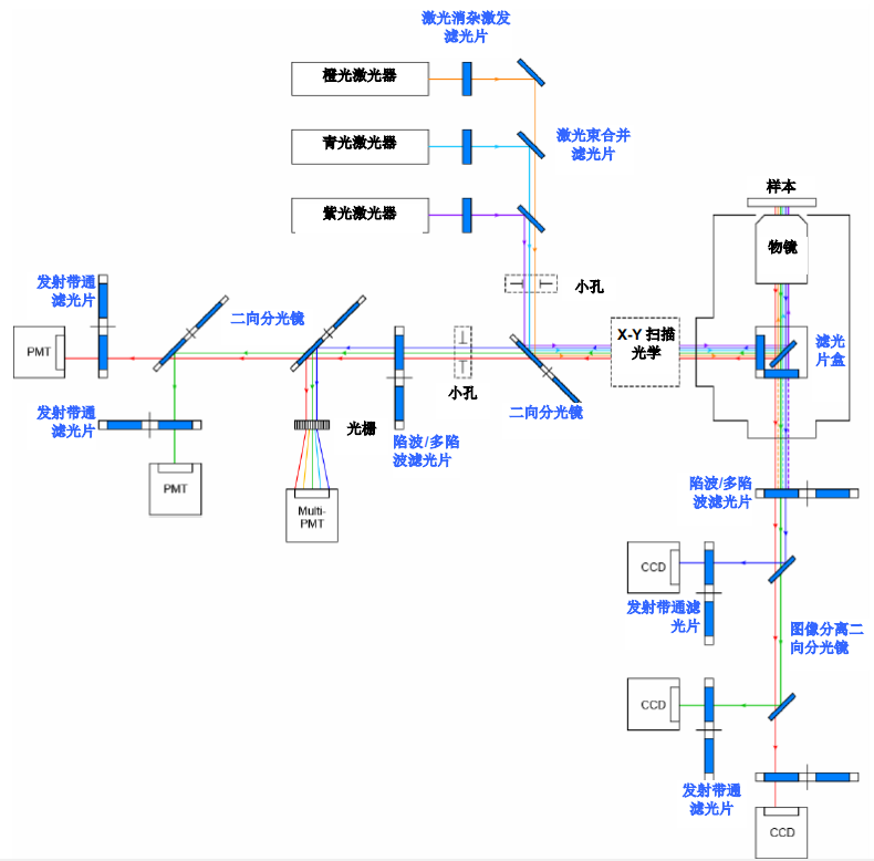
图4中显示了可用于多种不同类型成像应用的多激光系统示例。突出显示的是不同类型的光学滤光片。 在该示例中,结合了三个麻豆国产在线精品国偷产拍,且该系统演示了通过退扫描和非退扫描探测路径的共焦扫描,各路径均 可实现同时多颜色探测。或者,如果没有扫描功能,可与兼容TIRF的物镜一起使用,进行TIRF成像。

图3:Semrock四色激光滤光片组组适用于以下规格的麻豆国产在线精品国偷产拍:375、405、473、488、491、559、 561、568、633、635和647纳米的麻豆国产在线精品国偷产拍;
蓝线 - 激发滤光片,绿色 - 分色镜,红色 - 发射滤光片
结语
基于激光的显微镜成像系统结构复杂、价格昂贵,在从其中获得最高性能的过程中,光学滤光片的作 用至关重要。正确的选择使用与其性能匹配的光学滤光片更加重要。基于激光的成像系统的未来将会如 何?为了更好地观察细胞或亚细胞相互作用机制,涌现了众多的复杂的成像方案。例如,位于先进技术前 沿的超分辨率成像技术通常使用激光照明[3]。这些技术已经增进了成像的分辨率,达到远低于传统显微 镜的衍射极限(限制到几百纳米的分辨率)。
其他的几种荧光成像技术,如 STED、PALM 和 STORM(在此不一一列举),已证明了可以使用不同方法, 在观察荧光标记样本时达到几十纳米的分辨率。这些成像技术的前提是基于能准确定位单个荧光分子。由 于定位的精度随着从给定荧光基团分子[4]获得的光子数增加而显著增加,高效的光学滤光片在这些前沿 应用中发挥了日益重要的作用。

图4:复杂多麻豆国产在线精品国偷产拍成像系统示例。特定激光滤光片为蓝色突出显示。
而不是某些自动的垃圾注册程序。 |